| Sign In | Join Free | My adobecards.com |
|
Brand Name : SKYLINE
Model Number : YG406A
Place of Origin : Dongguan, China
Payment Terms : L/C, D/A, D/P, T/T, Western Union, MoneyGram
Supply Ability : 300/month
Delivery Time : 10days
Packaging Details : Carton box
Display : 3 1/2-bit digital display
Brand : SKYLINE
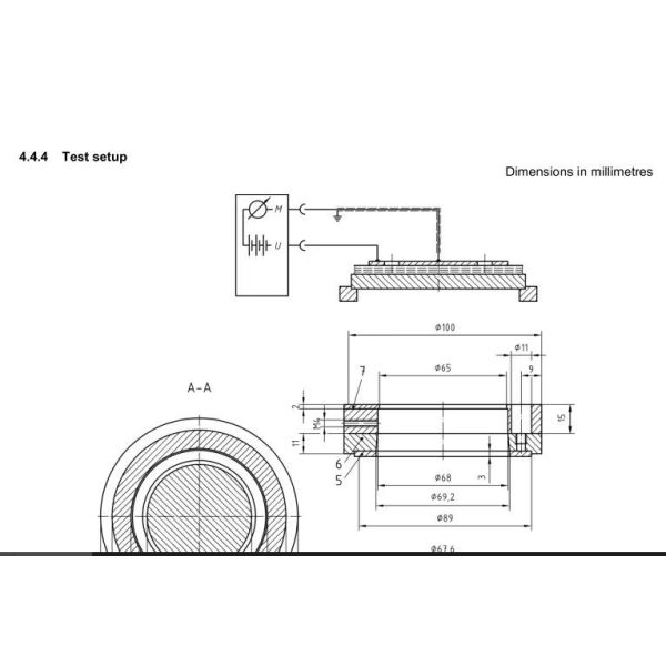
Measuring voltage : DC100V
Built-in timer : automatic reading lock, easy to test.
Working environment temperature : 23℃±1℃, humidity: 25%±5%RH
resistance measurement range : 2 × 1014Ω
power supply form : AC 220V, 50HZ
resolution : 100Ω
Standard : BS EN1149-1:2006, EN1149-2 AATCC 76 etc.



Introduction:
This instrument can be used to measure the anti-static clothing, protective clothing of various fabrics, carpets, films and other insulating materials protective clothing surface resistivity and point-to-point resistance test, the size of the surface resistance can indirectly reflect the test material surface electrostatic leakage time, thus reflecting the test material with static performance.
Applicable standards: GB 12014-2019, GB/T 22042-2008, GB/T12703.4-2010, GB/T 1410, FZ/T64013, BS6524, BS EN1149-1:2006, EN1149-2 AATCC 76 etc.
Main technical indicators
1. Adopt high integrated 3 1/2 digit display.
2. Measuring voltage:DC100V
3. Built-in timer: automatic reading lock, easy to test.
4. Working environment temperature: 23℃±1℃, humidity: 25%±5%RH
5. resistance measurement range up to 2 × 1014Ω, is the current point-to-point resistance measurement capability of the stronger digital instrument. It is the best instrument for volume resistivity and surface resistivity measurement of insulation materials, with the highest resolution of 100Ω.
6. Four kinds of (100V, 250V, 500V, 1000V) output voltages are equipped as standard.
Note: Or four (10V, 50V, 100V, 500V) output voltages, the
7. the instrument in a stable working voltage and no signal input between 1 to 8 hours zero point drift less than ± 5%
8. the instrument on the standard resistance measurement of the basic error: ≤ ± 10%
9. power supply form: AC 220V, 50HZ, power consumption 30W
Configuration List
1. test host 1 set
2. point-to-point electrode 1set (optional)
Surface resistivity electrode 1set(optional)
3. Electrode contact plate 1 group
4. Insulation pad board 1 piece
5. Electrode distance plate 1 piece
6. Product instruction manual
7. Power cord 1
|
|
Digital Display Fabric Surface Resistivity Tester EN 1149-1 / EN 1149-2 AATCC 76 Images |